Bit and State Counters
Bit Counter
The Bit Counter is a 5-bit counter that is wired to count up to 17 and
then reset to 0. A decoder produces outputs corresponding to each bit
of the short word cycle.

Bit Counter Video
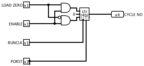
State Counter
The State Counter is a 4-bit (for now) counter. When the ENABLE input
is active, it either counts up (if LOAD ZERO is inactive) or is reset
to zero (if LOAD ZERO is active). When ENABLE is inactive, no state
change occurs.

State Counter Video