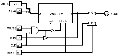
Register File Revision
I replaced the output flip flop in the register file subcircuit with a
transparent latch. This is mainly to aid debugging, so I can pause the
simulation during phase 1 of a bit cycle and see the data read from the
registers.

Revised timing diagram:
