Left Shift Instruction
Shifting the accumulator one bit to the left can be easily accomplished
by adding it to itself. To shift by a variable number of bits, however,
we will need to have a loop in the microcode, which brings us to the
subject of microcode branching.
Microcode Branching
To support branching in the microcode, I added two new control fields:
UBCOND (Microcode Branch Condition) and UBADDR (Microcode Branch
Address).
UBCOND selects one of a number of branch conditions. The branching logic is as follows:
- When the branch condition is true, the next value for STATENO is taken from the UBADDR field.
- When the branch condition is false and EOI is true, STATENO is reset to zero.
- Otherwise, STATENO is incremented.
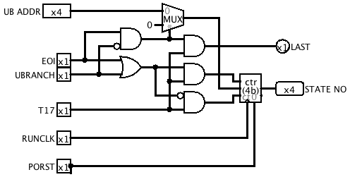
I made some additions to the State Counter subcircuit to implement this logic.

UBRANCH is a new input to the State Counter that is 1 when the selected
branch condition is true. It is generated by a multiplexer in the main
circuit:

Note that I changed how the LAST signal is generated again. It is now
an output from the State Counter subcircuit, and is only activated if
EOI is true and UBRANCH is false.
I have defined two UBCOND values so far:
UBCOND
|
Branch condition
|
000
|
Always false
|
001
|
Bit 0 of the S Register = 0
|
Left Shift Instruction
The number of places to shift is encoded in the Shift Left and Shift
Right instructions by the position of the rightmost 1 bit in the
instruction. This means we can take advantage of the fact that the
instruction is left in the S Register at the end of the fetch cycle.
Here's the strategy:

To do this, I added a control signal SS1 that shifts the S register
only during T17. I used the bit that became spare when AND was removed.

Left Shift Microcode
The microcode for the Left Shift instruction takes 4 microinstructions,
because it needs to shift all four short words of the accumulator.
Shifting the S register is overlapped with both shifting the most
significant accumulator short word, and with the branch back to the
beginning if there is more shifting to be done. Note that the branch
condition is testing the state of the S register before it is shifted.
# OPCODE L STAT : FETCH MASEL SHS EOI RFA WRF XSEL YSEL CMX SS1 CY1 CYP ODD MSW LSW HALT WMEM UBCOND UBADDR
# L - Left shift
11001 x 0001 : 0 0 0 0 00 10 10 10 0 0 0 0 0 0 1 0 0 000 0000
11001 x 0010 : 0 0 0 0 10 10 10 10 0 0 0 0 0 0 0 0 0 000 0000
11001 x 0011 : 0 0 0 0 01 10 10 10 0 0 0 0 0 0 0 0 0 000 0000
11001 x 0100 : 0 0 0 1 11 10 10 10 0 1 0 0 0 1 0 0 0 100 1000