Display Troubleshooting

Speeding up the display

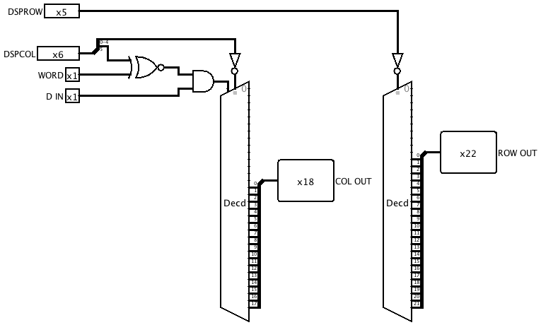
I found that my display emulation circuit was slowing down the simulation by a factor of 4, so I replaced it with a multiplexed design. I changed the "Input Format" of the LED Matrix components to "Select Rows/Colums" and eliminated the flip-flops from the panel driver circuit. With 864 fewer flip flops, the simulation now runs only 50% slower than it did before I added the display.

The panel driver now simply provides row/column select signals for the LED matrices:



I also removed the flip-flop that was holding a value for the display data input line and replaced it with a gate that pulses the input during the second half of each refresh cycle. With the "Light Persistence" parameter of the LED matrices set to 3500 ticks (slightly longer than a complete display refresh) this produces a stable display.


Memory Write Glitches

I found that spurious changes were occurring to the memory contents since I added the display. I fixed this by gating WMEM with TWRITE, so that memory writes only occur during the CPU Write phase. The previous gating of WMEM with RUNCLK was removed.

New gating:



New main memory subcircuit: