Front Panel Deposit Operation
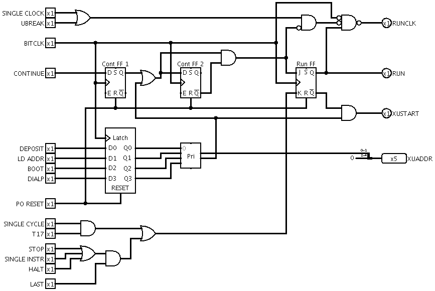
The Run Control subcircuit now has provision for initiating up to four
different non-instruction microcode sequences (NIMS). The inputs for
triggering these are first latched to synchronise them with BITCLK, and
then fed to a priority encoder which generates a microcode address. At
the same time, the Continue FF chain is activated, producing a
one-BITCLK pulse at XUSTART and then setting the Run FF.
NIMS Timing

Run Control

Instruction Register Loading
I found a problem with the logic for loading the NIMS entry point
address into the instruction register. It doesn't work if the
instruction register is clocked with RUNCLK, because the XUSTART pulse
occurs before RUNCLK is activated. So the instuction register is now
continuously clocked with BITCLK, and functions that should only occur
while the machine is running are gated with RUN.

Input Switches and Parallel Input Bus
I added a set of switches for manual data entry1. These are gated onto a Parallel Input Bus (PIB) which connects to new parallel inputs on the S register.


There is currently only one data source for the PIB, but there will be
others later. I needed a way of selecting the PIB source in the
microcode, but there are no more bits available, so I have re-used part
of the UBADDR field. This means I won't be able to perform a microcode
branch and use the PIB at the same time, but I don't think that will be
a problem.

The function of the Deposit switch will be to write the value from the
input switches into memory at the address currently in the PC, and then
increment the PC. To do this, I need to be able to select the PC as the
source for the memory address, and increment the PC, independently of
other functions.
I also need to be able to select the serial output of the S register as an X source in the ALU input selector.

With these changes in place, the Deposit operation can be microcoded.
# XSEL values
XSR = 011 # S Register
# MISC values
PLS = 1110 # Parallel load S register
LDPC = 0001 # Load PC from IR
INCPC = 1001 # Increment PC
MAPC = 0101 # Memory address = PC
# Deposit
1 00000 0 0000 : - - -- --- - -- - - -- - - - - - - PLS - --- PISW -- # Load switches into S
1 00000 0 0001 : SHS - -- XSR - -- - WMEM -- - - - - - - MAPC - --- ---- # Write S to memory
1 00000 0 0010 : - - -- --- - -- - - -- - - - - - - INCPC - --- ---- # Increment PC
1 00000 0 0011 : - EOI -- --- - -- - - -- - - - - - - HALT - --- ---- # Stop
Footnotes
1. This is not quite historically
accurate. The EDSAC designers deliberately did not provide a way for
users to enter programs manually, because they didn't want people
taking up machine time debugging at the console. It did have a set of
"engineering switches" that were used for maintenance, but I don't know
exactly what they did or how they were used.