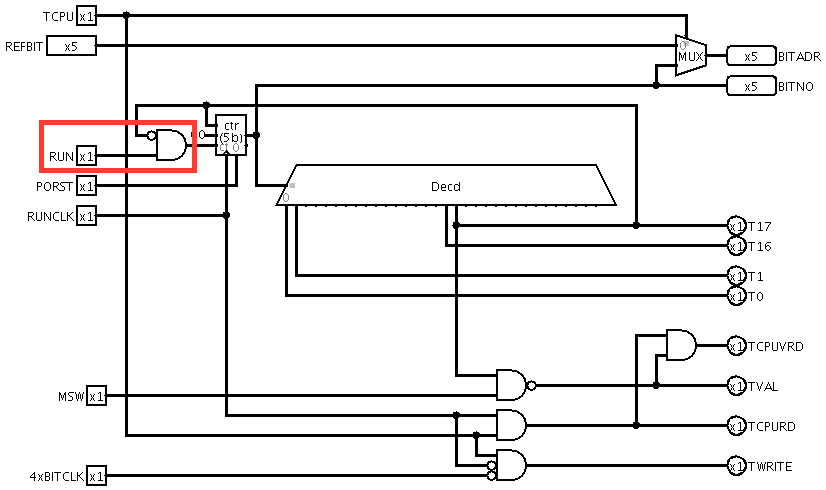
I found another problem. When entering a NIMS, the first RUNCLK pulse, which is used to load the starting microcode address into the opcode register, was prematurely advancing the bit counter, skipping T0 of the first microinstruction.
To fix this, I modified the Bit Counter subcircuit so that the bit number is incremented only when RUN is true.
