Automated Input Testing

I added tests to the combined test suite for the Input instruction and the telephone dial input facility.

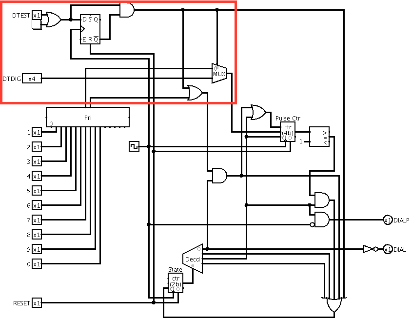
So that dial input could be tested automatically, I added a trigger circuit that watches the teletype output looking for the sequence of characters D#n, where n is a digit, and dials that digit.

Changes to main circuit

Dial test trigger subcircuit

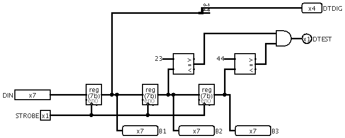
Changes to dial simulator subcircuit

Additions to test program for input testing

#
# INPUT instruction
# Enter with AC = 0
# Exit with AC = 0
# Expected output: INP
#
I_test: O cI F
I temp F
A temp F
L ^12
T temp F
O temp F
I temp F
A temp F
L ^12
T temp F
O temp F
O sp F

#
# Dial Input test
# Enter with AC = 0
# Exit with AC = 0
# Expected output: D#5P
#
dial_test: O cD F
O figs F
O chash F
O c5 F
Z F
O lets F
A temp F
S k_5 F
F fail D
O cP F
O sp F